English
简体中文
Home
About Us
Products
News
Feedback
Contact Us
Home
>
Products Catalogue
Connectors
Cables
Stands
Microphones
Microphone Accessories
Headphones
Speaker parts
DI Box&Effect Pedals
Contact Us
Name:
Garret
Tel:
+86-574-87119851
Fax:
+86-574-56664758
E-mail:
info@aua-audio.com
Add:
No.9,Lane 99, AnTai Street,Haishu District,Ningbo,China. 315012
MSN:
garret_fei@hotmail.com
Skype:
garret_fei
Products
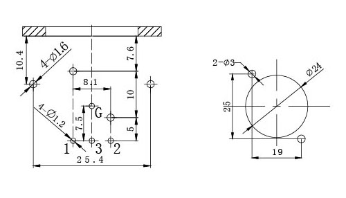
CA2031
←[Previous : CA2032]
[Next : CA2030]→